Los motores trifásicos son la columna vertebral de la industria moderna, gracias a su eficiencia, robustez y capacidad para operar en entornos exigentes. Uno de los circuitos más utilizados en automatización es el circuito trifásico con inversor de giro, que permite cambiar la dirección de rotación del motor mediante la alteración de la secuencia de fases. Este artículo explora en detalle el funcionamiento, componentes, conexión, aplicaciones y consideraciones de seguridad de este tipo de circuitos.
1. Fundamentos del Motor Trifásico
Un motor trifásico opera mediante tres corrientes alternas desfasadas 120° entre sí, lo que genera un campo magnético rotativo en el estator. La dirección de rotación depende del orden en que las fases (R, S, T) se conectan a las bobinas del motor. Para invertir el giro, se intercambian dos fases cualesquiera, lo que invierte la secuencia y, por tanto, la dirección del campo magnético.
2. Componentes del Circuito con Inversor de Giro
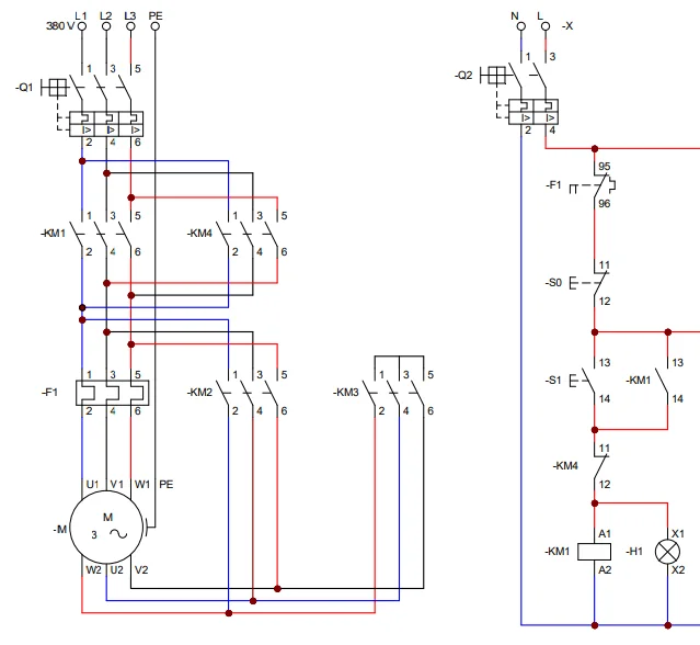
- Contactores: Dispositivos electromagnéticos que permiten abrir o cerrar circuitos de potencia. En un inversor de giro, se usan al menos dos contactores (KM1 y KM2).
- Relé térmico (F1): Protege el motor contra sobrecargas, interrumpiendo el circuito si la corriente supera un límite seguro.
- Pulsadores (S0, S1, S2): Botones para parar, arrancar en un sentido y arrancar en sentido inverso.
- Fusibles: Protegen contra cortocircuitos.
- Motor trifásico (M): El elemento final que convierte la energía eléctrica en movimiento mecánico.
3. Esquema de Conexión
El diagrama adjunto muestra un circuito típico con inversor de giro. Observa los siguientes puntos clave:
- El contactor KM1 conecta las fases en la secuencia R-S-T, lo que hace girar el motor en un sentido (ej. horario).
- El contactor KM2 intercambia dos fases (ej. R-T-S), invirtiendo la secuencia y el giro del motor (antihorario).
- Los pulsadores S1 y S2 activan KM1 y KM2, respectivamente, mientras que S0 detiene el motor.
- El relé térmico F1 se coloca en serie con las fases para proteger el motor.
Nota: Es fundamental que los contactores KM1 y KM2 nunca se activen simultáneamente, ya que esto provocaría un cortocircuito entre fases. Para evitarlo, se implementa un enclavamiento eléctrico y mecánico entre los contactores.
4. Funcionamiento Paso a Paso
- Arranque en sentido horario: Al presionar S1, se energiza KM1, conectando las fases en la secuencia R-S-T. El motor gira en un sentido.
- Parada: Al presionar S0, se desenergizan KM1 o KM2, deteniendo el motor.
- Arranque en sentido antihorario: Al presionar S2, se energiza KM2, intercambiando dos fases (ej. R-T-S). El motor gira en sentido inverso.
5. Aplicaciones Prácticas
El inversor de giro es esencial en aplicaciones donde se requiere cambiar la dirección de movimiento, como:
- Cintas transportadoras en líneas de producción.
- Grúas y polipastos para elevar o descender cargas.
- Ventiladores y extractores industriales.
- Máquinas-herramienta (tornos, fresadoras).
6. Consideraciones de Seguridad
La manipulación de circuitos trifásicos conlleva riesgos eléctricos. Sigue estas recomendaciones:
- Utiliza equipos de protección personal (EPP): guantes aislantes, gafas de seguridad y calzado dieléctrico.
- Verifica que el circuito esté desenergizado antes de realizar conexiones o mantenimiento.
- Implementa enclavamientos mecánicos y eléctricos para evitar la activación simultánea de KM1 y KM2.
- Realiza pruebas de continuidad y aislamiento antes de energizar el circuito.
7. Solución de Problemas Comunes
| Problema | Posible Causa | Solución |
|---|---|---|
| El motor no arranca | Fusible quemado o contactor defectuoso | Revisar fusibles y bobinas de los contactores |
| El motor gira en un solo sentido | Fallo en el enclavamient o o pulsador | Verificar conexiones de S1, S2 y enclavamientos |
| El relé térmico dispara frecuentemente | Sobrecarga en el motor | Ajustar carga o revisar corriente nominal |
8. Conclusión
El circuito trifásico con inversor de giro es una solución versátil y eficiente para controlar la dirección de motores en aplicaciones industriales. Su correcta implementación, junto con medidas de seguridad adecuadas, garantiza un funcionamiento confiable y prolonga la vida útil de los equipos. En Dieguitotube TV, recomendamos siempre seguir las normativas eléctricas locales y consultar a un profesional para diseños complejos.
¿Te gustaría profundizar en algún aspecto específico, como la programación de PLCs para controlar este circuito o la selección de componentes? ¡Déjanos tus preguntas en los comentarios!
