Proyecto de dise帽o y desarrollo de una placa electr贸nica para optimizar el control de un sistema de bombeo y presurizaci贸n de agua, enfocado en el sector agr铆cola. El objetivo principal fue economi...
Proyecto de dise帽o y elaboraci贸n de planos unilineales para una subestaci贸n el茅ctrica ubicada en ...
Proyecto de desarrollo e implementaci贸n de una plataforma web de administraci贸n de documentos (DM...
Proyecto de automatizaci贸n para una embobinadora autom谩tica en una f谩brica de muebles para mascot...
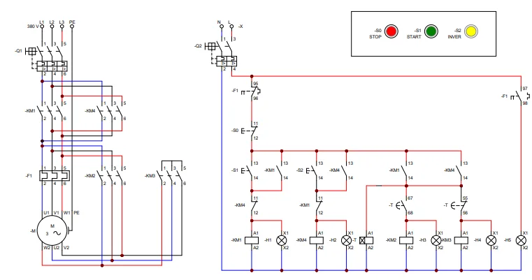
Proyecto integral para la puesta en servicio de una correa transportadora trif谩sica en instalacio...
Desarrollo de una plataforma web dise帽ada para la gesti贸n y seguimiento de proyectos en tiempo re...
Solicitado por un cliente, este proyecto ofrece una soluci贸n avanzada de monitoreo en tiempo real...
Desarrollado por solicitud de un cliente, este proyecto tiene como prop贸sito ofrecer una soluci贸n...
Este proyecto, solicitado por un cliente, se enfoca en la fabricaci贸n de una placa de circuito im...
Solicitado por un cliente, este proyecto consisti贸 en la elaboraci贸n de un pseudoc贸digo en PSeINT...
Solicitado por un cliente, este proyecto se enfoc贸 en el dise帽o de una p茅rgola de madera funciona...
Este proyecto, desarrollado por solicitud de un cliente, consiste en la creaci贸n de una interfaz ...
Solicitado por un cliente, este proyecto fue desarrollado para programar una placa Arduino que in...
Por solicitud de un cliente, se desarroll贸 un sistema autom谩tico de llenado y vaciado utilizando ...
Este proyecto, solicitado por un cliente, se enfoca en el dise帽o de una interfaz gr谩fica usando Q...
Desarrollado a solicitud de un cliente, este proyecto implementa un sistema de monitoreo autom谩ti...
Este proyecto fue solicitado por un cliente para desarrollar un sistema de control avanzado para ...
Solicitado por un cliente, este proyecto consisti贸 en la creaci贸n de un pseudoc贸digo en PSeINT qu...
Por solicitud de un cliente, este proyecto abarc贸 el dise帽o y programaci贸n de un circuito de cont...
Solicitado por un cliente, este proyecto incluy贸 el dise帽o y programaci贸n de un circuito basado e...
Este proyecto fue solicitado por un cliente para dise帽ar una interfaz gr谩fica que monitorea varia...
Solicitado por un cliente, este proyecto incluye el dise帽o y programaci贸n de un sistema de contro...
Por solicitud de un cliente, se desarroll贸 un sistema SCADA en CODESYS para la automatizaci贸n y s...
Este proyecto, solicitado por un cliente, consisti贸 en el an谩lisis y procesamiento de datos del c...
Solicitado por un cliente, este proyecto desarroll贸 un sistema de acceso simple usando Arduino y ...
Este proyecto, solicitado por un cliente, cre贸 un sistema interactivo para configurar colores RGB...
Solicitado por un cliente, este proyecto incluy贸 el dise帽o y programaci贸n de un sistema Arduino p...
Este proyecto, solicitado por un cliente, dise帽贸 y configur贸 un circuito electro-neum谩tico utiliz...
Solicitado por un cliente, este proyecto incluy贸 el dise帽o de un sistema de control autom谩tico pa...
Solicitado para un proyecto universitario, se dise帽贸 y configur贸 un circuito electroneum谩tico ori...
Este proyecto consisti贸 en el dise帽o de Planos P&ID para una planta de almacenamiento de agua, si...
Solicitado para un proyecto universitario, se dise帽贸 y program贸 un sistema de control de acceso p...
En este proyecto se dise帽贸 y program贸 un sistema SCADA completo para una planta de almacenamiento...
Desarrollado para un proyecto universitario, este sistema permite controlar de manera sencilla el...
Solicitado para un recinto empresarial, este proyecto incluy贸 el dise帽o detallado de una p茅rgola ...
En este proyecto se dise帽贸 un circuito tiristor para el control de se帽ales senoidales, especialme...
Este proyecto, solicitado para un robot sumo, incluy贸 el dise帽o y programaci贸n de un circuito de ...
Solicitado para un proyecto de control de nivel de estanque, este dise帽o incluye un circuito de f...
Desarrollado para mostrar las soluciones innovadoras de EDIM SpA, este sitio web profesional y f谩...
