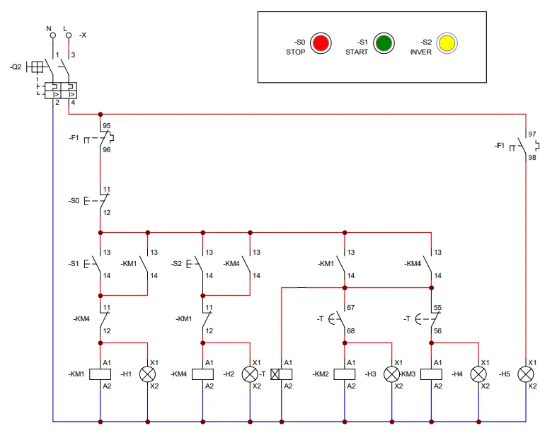
Los motores trifásicos son la columna vertebral de la industria moderna, gracias a su eficiencia, robustez y capac...
La impresión 3D ha revolucionado la forma en que se diseñan y fabrican piezas en múltiples áreas de la ingenierí...